BUCK电路详解
1.什么是BUCK电路
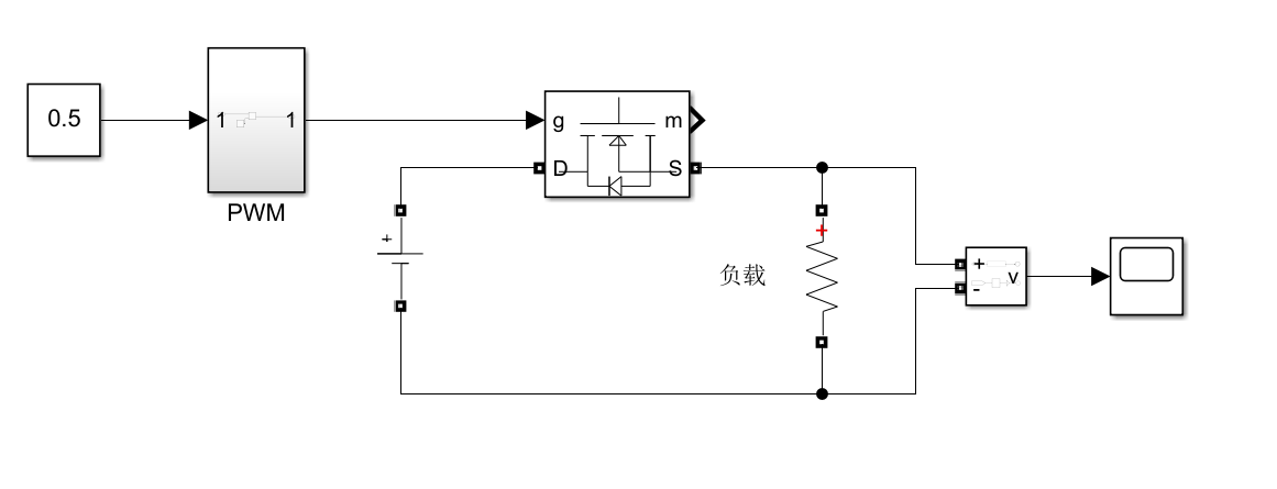
- 在如下回路中,通过不断的开关mos管,我们可以得到这样的电压波形


1.1有什么办法能让这个波形变得更加缓呢
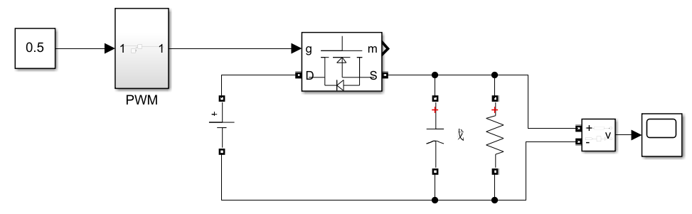
- 我们可以想到,电容两端的电压不能突变,我们加上电容试试

可以看到波形如下:
- 可以看到,当开关断开时,电压并没有降为0,这是因为当开关闭合时,电源同时给负载和电容供电,当开关断开时,电容又会给负载供电,所以此时的电压不会为0,此时来看看电流的波形

- 为什么会出现这个尖端呢,我们可以联想一下电容的公式:
$$ i(t) = C \frac{dV(t)}{dt} $$ - 当t(时间)无限小时,此时的i(电流)是无限大的,这就是尖端产生的原因。
1.2有什么能让这个尖端变缓呢
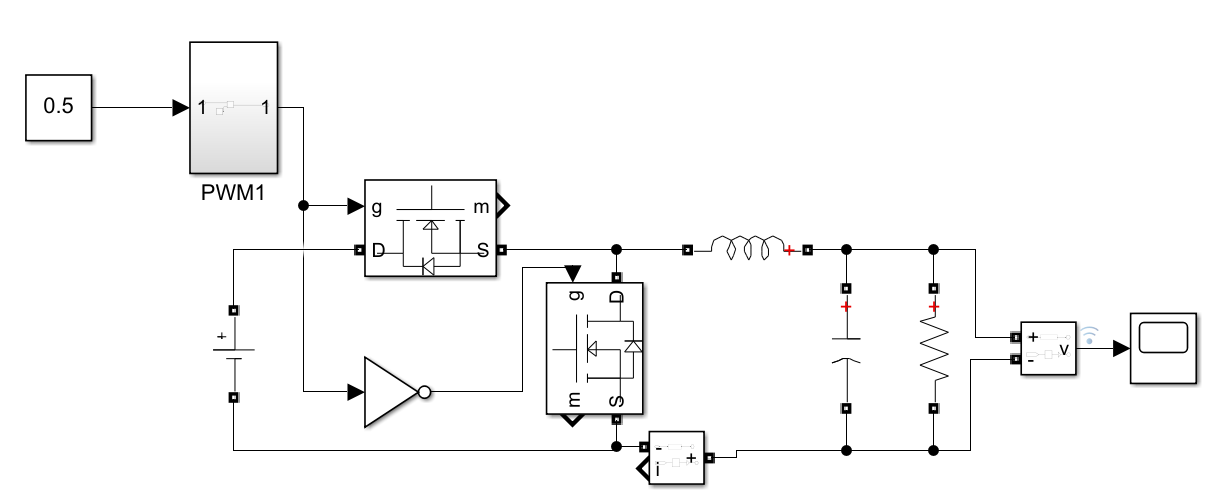
可以很自然的想到,电感的电流是不可以突变的,我们加上电感试试,但由于当开关断开是,电感的左侧是开路的,我们需要构成一个回路,当开关闭合时,这个回路是断开的,开关断开是,这个回路是闭合的,可以想到用一个二极管放置在回路中,这就叫异步BUCK,既然有异步,那肯定就有同步,将一个MOS管代替二极管的位置,同时将控制开关的信号接一个反相器来控制MOS管,这时,当开关打开时,信号经过反相器就会将MOS管截止,反之就会打开。
下面是同步BUCK的示例

在这里电源电压设置为10V,占空比设为0.5,理论值应为5V

可以看到与理论值相差不大
异步BUCK结构拓补图
同步BUCK结构拓补图